English
Español
Português
русский
Français
日本語
Deutsch
tiếng Việt
Italiano
Nederlands
ภาษาไทย
Polski
한국어
Svenska
magyar
Malay
বাংলা ভাষার
Dansk
Suomi
हिन्दी
Pilipino
Türkçe
Gaeilge
العربية
Indonesia
Norsk
تمل
český
ελληνικά
український
Javanese
فارسی
தமிழ்
తెలుగు
नेपाली
Burmese
български
ລາວ
Latine
Қазақша
Euskal
Azərbaycan
Slovenský jazyk
Македонски
Lietuvos
Eesti Keel
Română
Slovenski
मराठी
Srpski језик
Характеристика продуктуес
1, генерація постійного струму та накопичення постійного струму, більша ефективність і менші втрати, що підходить для PV та накопичувальна потужність більша
ніж сценарії навантаження електроенергії поза мережею;
2, захист IP65, що відповідає зовнішньому використанню. Поруч розташований вихід підсилення конвергенції MPPT, який допомагає запобігти проводці
плутанина, спричинена кількома фотоелектричними (PV) кабелями, які передаються на великі відстані до системи «все в одному».
3, 200-900 В широкого діапазону напруг фотоелектричного входу, що підтримує доступ промислового фотоелектричного модуля високого струму.
4、Багатоканальний MPPT, що зустрічає багатокутну фотоелектричну панель
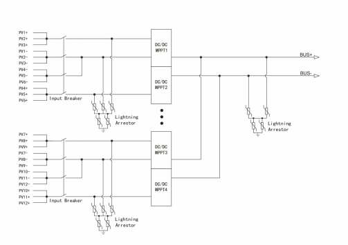
Схема підключення

Специфікація
| Моделі | MPPT-8 | MPPT-6 | MPPT-12 | |
| PV-Side інтерфейс Параметри |
Максимальна напруга фотоелектричної панелі | 900В | ||
| Діапазон напруг MPPT | 200В-900В | |||
| Номінальний діапазон напруги MPPT | 560В-900В | |||
| Максимальний струм гілки | 24А | 20А | ||
| Номер вхідних рядків PV | 8 | 6 | 12 | |
| Кількість МППТ | 8 | 2 | 4 | |
| Струм на MPPT | 20А | 55А | ||
| Вихідні параметри | Діапазон напруги | 600-950В | ||
| Номінальна напруга | За замовчуванням 716,8 В, регульований | |||
| Номінальний вихідний струм | 118А | 84А | 168А | |
| Номінальна вихідна потужність | 84 кВт | 60 кВт | 120 кВт | |
| Максимальний вихідний струм | 192А | 120А | 240А | |
| Параметри системи | EUe ciency | 99,4% | ||
| клас iP | IP65 | |||
| Концепція охолодження | Природна конвекція | Примусове повітряне охолодження | ||
| Розміри (Ш*Г*В) | 550х530х280 мм | 630×460×260 мм | 630×460×260 мм | |
| вага | 42 кг | 25 кг | 30 кг | |
| Робоча температура | -30~55℃ | |||
| Режими живлення | Автономне живлення (без споживання електроенергії вночі) | |||
| Інтерфейс зв'язку | RS485 | |||
